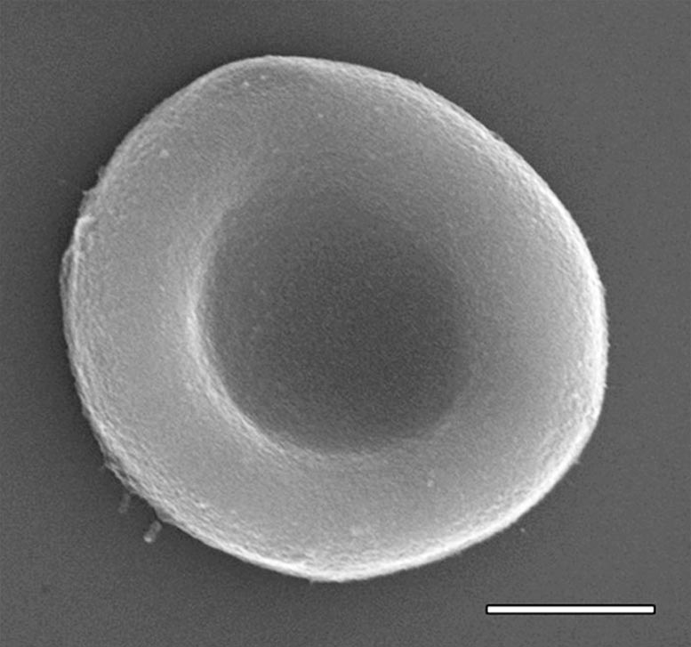
Artificial red blood cell.
If you’ve ever wondered why some people are concerned about what vaccines are made of, imagine the things, similar to this, that are not made public.
Scientists have created synthetic red blood cells that can perform all the functions of the real thing and more.
Tests in mice and chick embryos showed that the artificial cells were able to carry oxygen and squeeze through capillaries just like the biological versions.
But they also revealed the man-made cells’ ability to carry drugs, detect toxins and perform magnetic targeting.
The functions give them a broad range of medical applications, scientists said, which could pave the way for improvements in treating diseases such as cancer.
Yes, it is only going to be used to treat cancer, because we’re very concerned about your health. We’re so concerned about your health and well-being that we’re forcing you to abide by the new social distancing rules.
Because we care about you.
Scientists made the artificial cells by covering donated red blood cells with a thin layer of silica, and then a layer of polymers with positive and negative charges.
The silica was then carefully etched away and coated in natural red blood cell membranes.
The study, published in the American Chemical Society’s journal Nano, said they found these unique ‘cells’ retained the biconcave shape of the biological version.
They were then loaded with either haemoglobin to enable them to carry oxygen, ATP biosensors for detecting toxicity, an anticancer drug or magnetic nanoparticles.
The results showed that these loads enabled them to carry out the normal tasks of a red blood cell, using haemoglobin, or additional tasks.
The ‘cells’ also circulated within mice for 48 hours. This high time was achieved as they were camouflaged against white blood cells by proteins on their surface.
Without the defence, the artificial cells would have been gobbled up.
This will never be used as a kind of Trojan horse to sneak damaging stuff into people’s bodies, because warfare is not a thing and the entire planet is driven by altruism.
We scientists really do care about people’s health, which is why we’re always thinking of ways of sneaking foreign objects that can deliver drugs into their circulatory systems.


